ENGLISH(America)
ENGLISH(Asia)
成员公司网站
中国工业电器领域价值第一品牌 品牌价值154.75亿
首页
关于人民
企业领航人简介
人民精神
人民电器集团妇联
合作单位
集团综述-仪器仪表
集团综述-洛阳销售公司
集团综述-人民电器集团河南销售公司
车间展示
企业综述-江西变电
企业综述-江西人民输变电
车间展示-江西人民输变电
产品特点
人民电器集团防爆电器公司
防爆公司
浙江人民电器公司
浙江人民电器公司企业综述
人民电器上海公司
沈阳一华电气公司
中国人民电器集团湖北公司
人民电器集团河南有限公司
人民电器集团武汉销售公司
洛阳销售公司
河南人民电器销售公司
浙江人民建筑电器公司
管理创新
社会责任
共青团
安徽办事处
关于人民
产品中心
安徽销售有限公司
安徽销售有限公司董事长黄春生
人民电器集团武汉中南销售公司
人民电器集团武汉中南销售公司联系我们
人民电器集团山东公司
人民电器(启东)公司
集团董事长
决策核心
和谐团队
持续成长
卓越品质
智能制造
专业制造
董事长致词
集团综述
浙江人民电器公司
人民电器集团上海公司
快速成长
江西人民输变电公司
做大做强
江西变电设备公司
品牌建设
发展历程
品牌力量
多元投资
企业资质
领导关怀
展望未来
工程案例
计生协会
人民电器集团工会
民兵连
多元投资
产品中心
产品世界
产品价格查询
新增产品
产品资质
研发中心
营销中心
国内网点
国外网点
代理商注册
文化中心
精神文明
主推产品
法规与标准
质量与服务
经销商加盟条件
产品应用
质量保证
售后服务
电网销售服务流程
合作客户
成功案例
2017年愿景
行业应用产品与服务
整体解决能力
成功案例
产品应用
整体解决能力
成功案例
分销商登陆
销售服务流程
销售服务流程
河南质量
智能电网解决方案
智能成套解决方案
城市供电解决方案
能源微网解决方案
电动机解决方案
智能成套配电技术解决方案
智慧能源综合管理系统
输变电系统解决方案
全宅智能家居解决方案
数据中心解决方案
通讯行业解决方案
水泵行业解决方案
起重机械行业解决方案
冶金行业解决方案
石油石化行业解决方案
建筑行业解决方案
电力行业解决方案
充电桩行业解决方案
储能行业解决方案
光伏行业解决方案
案例汇集
品牌优势
加盟指导
经销商加盟申请程序
行业概述
整体解决能力
电网技术实力
成套销售服务流程
石化行业概况
房地产行业
电力行业系统解决方案
终端电气系统解决方案
低压配电系统解决方案
人民电器报
人才中心
加入我们的理由
您的成长
您的福利
校园招聘
以人为本
人民引言
招聘信息
人才战略
培训体系
客服中心
客户服务中心
智慧服务
国内营销网络
国际营销网络
服务网络
形象/资质
成套/电缆/变电器/防爆/仪表
仪表公司产品资料下载
人民电器集团河南销售公司联系我们
江西变电公司资质
江西变电公司联系我们
江西人民输变电公司联系我们
人民输变电公司资质
上海公司联系我们
上海公司资质与产品样本
人民电器防爆电气公司联系我们
防爆电气
浙江人民电器公司联系我们
浙江人民电器资料下载
沈阳一华电气公司联系我们
人民电器集团湖北公司联系我们
河南人民电器公司联系我们
中国人民电器集团武汉销售公司
人民电器集团洛阳销售公司
河南人民电器销售公司
人才策略
人民电工联系方式
人民电器集团河南销售公司在线服务
销售手册下载
质量承诺
安徽办事处
资料下载
在线电子样本
浙江公司电子样本
上海公司样本
输变电公司样本
江变公司样本
安徽销售有限公司联系我们
absdfasdf
人民电器集团武汉销售公司售后服务
在线交流
广告指南
低压产品资料下载
产品说明书
产品常见问题
打假维权
加盟人民
联系我们
仪表联系我们
洛阳销售联系我们
新闻中心
集团要闻
人民电器报
人民视频
会员中心
用户名:
密码:
客服热线:024-31883911
产品中心
Product
产品世界
产品价格查询
新增产品
产品资质
研发中心
当前位置:
集团首页 -
产品中心
-
产品世界 - 设计院产品
●
设计院产品
>
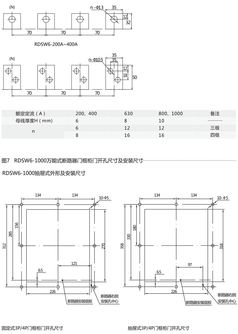
RDSW6系列智能型框架式断路器
产品详细资料PDF文档
|
试验报告下载
产品资质查询
产品样本资料下载
PDF阅读器:
官方下载
|
本地下载
下载提示
1、产品详细资料为PDF文档;
2、下载后若不能打开文档,请先安装PDF阅读器;
3、下载时推荐使用下载工具或目标另存为。
●
产品简述
●
返回上一页>>
产品搜索:
请选择种类
├ 防爆电气
├防爆灯具系列
├防爆电器系列
├全塑防爆
├防爆风机
├防水防尘防腐篇
├粉尘篇
├防爆管件
├ 低压电器
├一级配电
├框架式断路器
├低压隔离开关
├三相干式变压器
├二级配电
├塑料外壳式断路器
├塑料电子式断路器
├塑料漏电式断路器
├双电源自动转换开关(CB级)
├双电源自动转换开关(PC级)
├普通隔离开关
├熔断器式隔离开关
├熔断器
├终端电器
├小型断路器
├漏电小型断路器
├隔离开关
├家用接触器
├电磁式漏电断路器
├一体式漏电断路器
├直流小型断路器
├模数化插座
├照明配电箱
├电涌保护器
├工业控制与保护
├接触器
├通用交流接触器
├直流接触器
├切换电容接触器
├真空接触器
├继电器
├热过载继电器
├时间继电器
├小型电磁继电器
├时控开关
├计数器继电器
├接触器式继电器
├电动机断路器
├超薄型继电器
├固态继电器
├液位继电器
├全自动打铃仪
├累时器继电器
├过欠压保护器
├电流继电器
├主令电器
├行程开关
├信号灯
├转换开关
├按钮开关
├微动开关
├脚踏开关
├倒顺开关
├星三角开关
├电动机起动、保护电器
├电动机保护器
├电磁起动器
├软启动
├相序保护控制器
├变频器
├电动机调速装置
├控制与保护开关电器
├电动机起动器
├其他电器
├硅整流、工业
├散热器
├工业插头
├接线端子
├电铃
├电源电器
├变压器
├电抗器
├稳压器
├开关电源
├应急供电系统
├调压器
├电能质量
├互感器
├剩余电流动作继电器
├电容器、控制器
├无功补偿控制器
├电能表
├安装式电测表
├水表系列
├综合补偿装置
├智能充电插座
├万用表系列
├钳形表系列
├ 设计院产品
├ 智能开关
├ 江西变电公司变压器产品
├干式变压器
├油浸式变压器
├组合式变压器
├变电站
├ 江西输变电
├智能化高压超高压
├智能化整流特变
├智能化电炉变压器
├智能化干式变压器
├智能化箱变系列
├低压开关柜
├高压开关柜
├其他类型箱柜
├ 赢领系列
├ 创领系列
├ 智能充电桩/充电站
├ 活氧机
├ 智领系列
├ 智能充电桩
├ 智慧消防
├ 资料中心
├形象样本
├新产品手册
├资质样本
├低压手册
├高压手册
├成套手册
├电力变压器手册
├电线电缆手册
├仪表手册
├建筑手册
├防爆手册
├价格手册
├视频资料
├人民新视窗
├ESG报告
├ 上海成套设备
├低压开关柜
├高压开关柜
├其他类型箱柜
├ 水晶系列
├ WIFI智能断路器
├ 智能门锁
├ 个人及家庭用户
├R86墙壁开关
├R86H5系列
├R86E5系列
├R86-G35系列
├R86H6系列
├R86N系列
├RZ-B86系列
├R86-H系列
├R86-D系列
├R86-C系列
├RM-6明装系列
├R120墙壁开关
├R118-H系列
├R118-T系列
├R118-C系列
├R120墙壁开关
├R120-WD系列
├R120-WF系列
├配电箱
├信息箱
├智能终端
├其他产品
├照明应急系列
├工程工业系列
├工程工业绿电节能系列
├工程商照系列
├工程支架系列
├工程感应系列
├工程吸顶系列
├消防应急系列
├ 产品资质
├产品荣誉
├CQC证书
├自我声明
├CCC证书
├报告证书
├国际认证
├专利证书
├新产品新技术鉴定证书
├合格证
├计量证书
├产品认证证书
├矿用产品安全证书
├中国节能产品证书
├消防证书
├其它证书
├建筑电器产品资质
├CCC认证
├检测报告
├ 华智通信
├天线
├滤波器
├雷达模块
├其他
├ 裸眼3D
├ 逆变器
├ 新领系列
├ 光伏系列
├ 储能系列
├ 锋领系列
├ 成套设备
├低压开关柜
├高压开关柜
├其他类型箱柜
├ 电线电缆
├ 电力变压器
├高压超高压系列
├干式变压器
├油浸式变压器
├电炉变压器
├箱变系列
├组合式变压器
├变电站
├ 高压及真空电器
├智能电网自动化开关
├智能电网永磁式真空断路器
├智能电网预付费自动化设备
├户外高压真空断路器
├户内高压真空断路器
├户内(外)高压交流负荷开关
├其它高压电器
├ 智能电网卫星网络传输系统
├ 高压互感器、电力计量箱
├ 建筑电气
├墙壁开关
├换气扇
├配电箱
├地板插座
├称动排插
├电视分配器
├ 气动元件
├气动执行元件
├气动控制系列
├气源处理元件
├气动接头系列
├气动辅助元件
快速
通道
Fast channel
社会责任
视频中心
品牌价值154.75亿
11.18华诞
8.18质量日
5.18环保日
企业党建
专业制造
多元产业
服务
与
支持
Service and support
更多
资料下载
下载
集团形象手册
下载
产品销售手册
下载
成套产品
下载
高压电器产品选型手册
下载
电力变压器产品选型手册
更多
成员公司网站
浙江人民电器公司
人民电器集团上海公司
江西变电设备公司
江西人民输变电公司
人民电器集团浙江进出口公司
更多
企业资质
营业执照
中国企业500强(控股)
中国企业500强(集团)
中国500最具价值品牌证书(控股)
中国500最具价值品牌证书(集团)
更多
人才招募
金控副总
供应链副总
财务总监
营销中心副总
技术部经理
QQ:
QQ:
在线查价
产品规格
产品名称
在线咨询